RSV/RSH系列高精度空气静压转台结构紧凑,整体高度较低,能够提供精确的角度定位,速度稳定性高,运动误差小。该系列转台由直接力矩电机、气浮轴承和高分辨率的位置编码器组成,保证了精确、稳定、可靠的旋转运动。独特的气浮轴承设计有效降低高度,减少多轴集成应用中的阿贝误差。
主要应用
晶圆检测与加工、高精度计量、超精密加工、半导体行业、光学检测、医疗设备、三维激光微加工、非球面微加工等
。
主要参数
型号 | RSH100A | RSV150A | RSV200A | RSV250A | RSV300A | RSV400A |
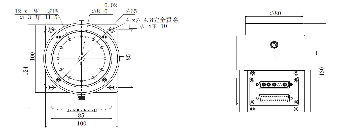
台面直径mm | 80 | 148 | 198 | 248 | 298 | 398 |
高度mm | 130 | 80 | 90 | 100 | 122 | 150 |
通孔直径mm | 8 | 20 | 35 | 60 | 75 | |
总行程 | 360°连续回转 | |||||
基本编码器分辨率(海德汉)线/周 | 12000 | 16384 | 20000 | |||
最大速度rpm | 800 | 500 | 300 | 200 | ||
定位精度arcsec | ±0.5 | ±3 | ±2 | ±0.5 | ||
重复定位精度arcsec | <0.2 | <2 | <1 | <0.2 | ||
最大承载-轴向kg | 17 | 10 | 35 | 66 | 100 | 200 |
最大承载-径向kg | 7 | 5 | 15 | 35 | 50 | 50 |
最大承载-偏载Nm | 3.8 | 3 | 10 | 30 | 45 | 55 |
轴向窜动误差nm | <40 | <100 | <50 | |||
径向跳到误差nm | <40 | <150 | <100 | |||
摆角误差arcsec | 0.2 | 2 | 0.7 | 0.5 | ||
工作气压bar | 5.5 | |||||
总重量kg | 3.5 | 5 | 10 | 15 | 25 | 60 |
材料 | 航空铝 | |||||
台面硬度 | HRC62 | |||||

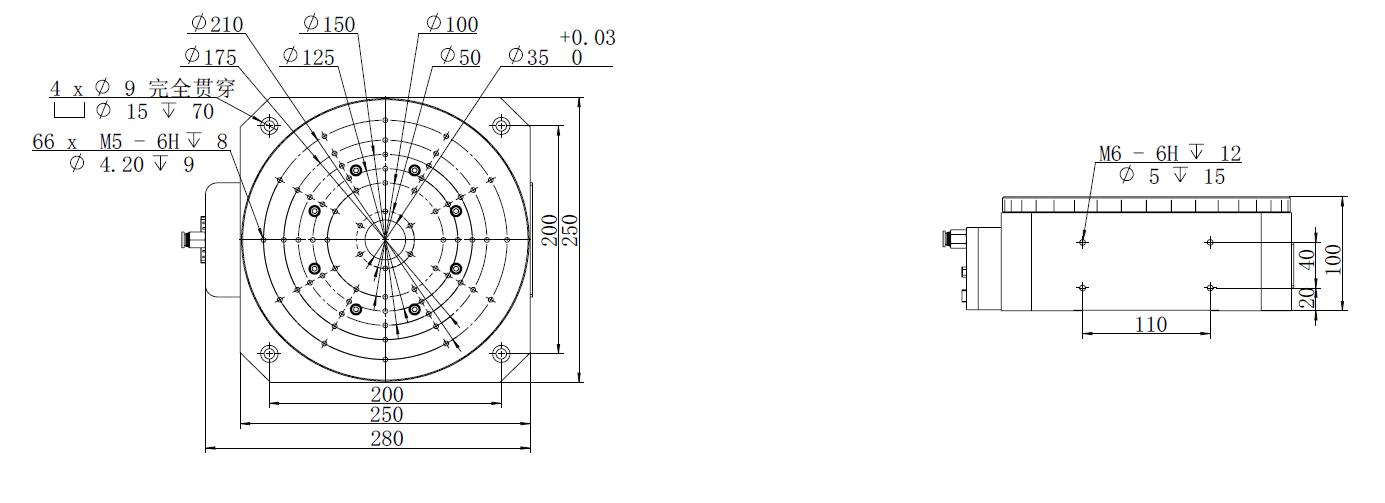
RSV200尺寸图

RSV250尺寸图

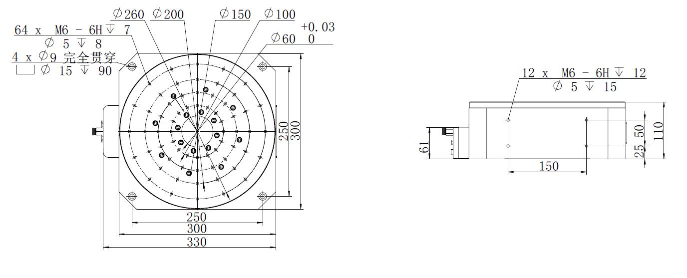
RSV300尺寸图

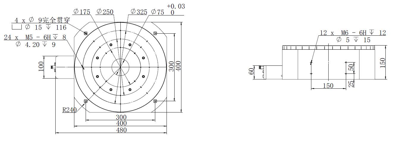
RSV400尺寸图